官方电话:
17602602061

刀片式IO

订货号:SG-IO_C-8I_mA
电流输入
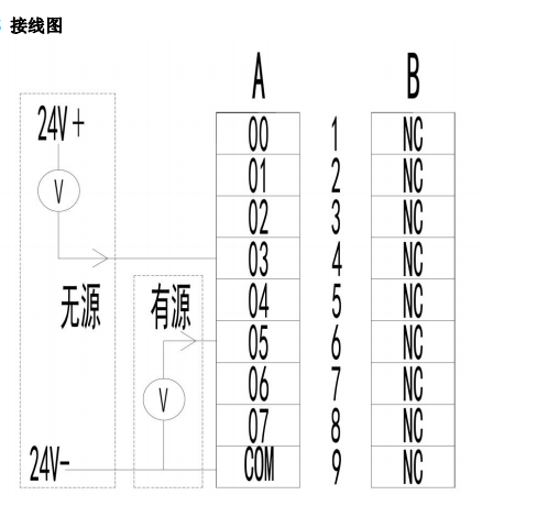
①本模块支持 8 通道 4-20mA 电流输入。 ②模块内部 AD 芯片与主控之间有光耦隔离,接线端口有过压过流保护。 ③模块每个通道均带有指示灯,用来指示输入电流是否大于 4mA。 ④AD 芯片分辨率 16 位,测量精度 1%
详情 下载 认证 视频 相关产品
技术信息

https://www.tj-sange.com/images/admin/upload/20240807/493039fc6b464a994af88b41d9b6ca62.jpg

安全及保护

https://www.tj-sange.com/images/admin/upload/20240716/ce1fbd0ed2aef795460c995d011a8da8.jpg

接线参数

https://www.tj-sange.com/images/admin/upload/20240807/9989a27a988ec65c6f76a95b89be5517.png

机械参数

https://www.tj-sange.com/images/admin/upload/20240807/15feafccc8dd0da60b0e1251cca2e553.jpg

说明书
SG-ADIO-刀片式说明书 v3.0.pdf
说明书下载
软件下载
三格电子——刀片式IO——Profinet
刀片Io外壳的3D.zip
三格电子——刀片式IO——Profinet
GSDML-V2.4-SG-ADIO(h750)-20260417.xml
认证

https://www.tj-sange.com/images/admin/upload/20240716/f2754bcba6496c26cd8e5ea4d61d341c.jpg

视频